Language
繁體中文
English
首頁
產品介紹
高速主軸
全電式長度預設儀
熱敏電阻
電子型錄
新聞消息
關於我們
聯絡我們
產品介紹
首頁
產品介紹
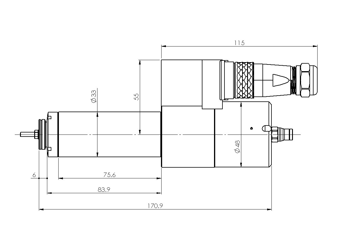
33 主軸
型號 ID:33
1.內裝一個溫度感測器,可確保主軸使用時正常之運轉,並在溫升時事前先予斷電警示。
NEXT
特性說明
規格數據
相關配件
轉速:60,000 RPM
馬力:500 W
高精度
高剛性
高轉速
低振動
高可靠度
用途:
安裝於PCB成型機
安裝於齒模雕刻機
安裝於玻璃研磨機
安裝於金屬粉末機械
安裝於其他加工機械
產品分類
高速主軸
全電式長度預設儀
熱敏電阻
首頁
產品介紹
高速主軸
全電式長度預設儀
熱敏電阻
電子型錄
新聞消息
關於我們
聯絡我們