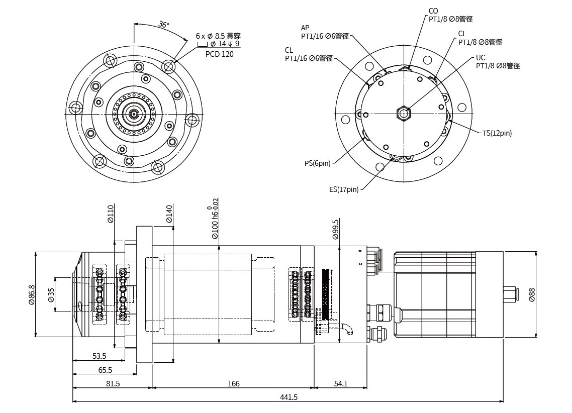
1.內裝三個溫度感測器,可確保主軸使用時正常之運轉,並在溫升時事前先予斷電警示。
2.本主軸可選配編碼器。
轉速:36,000 RPM 馬力:6.0 KW
用途: • 安裝於金屬加工機械 • 安裝於其他加工機械