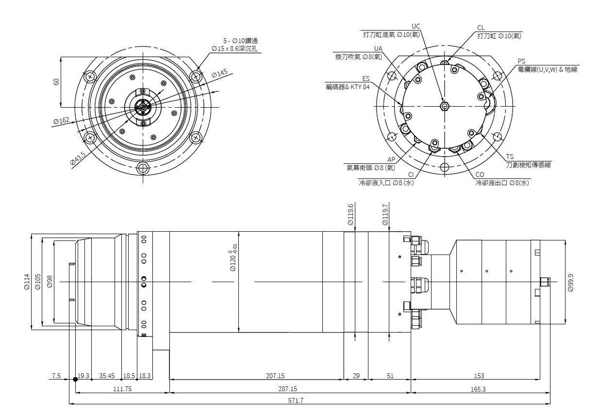
1. Equipped with three built-in temperature sensors to ensure safe operation of the spindle; an early power-off warning is triggered in case of abnormal temperature rise.
2. This spindle can be optionally equipped with an encoder.
Speed:30,000 RPM Power:12 .0 KW
Applications: • Suitable for installation on metalworking machinery • Can also be installed on other types of machining equipment