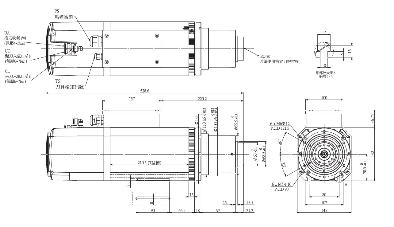
1. This spindle can be optionally equipped with an encoder.
Speed:24,000 RPM Power:8 .0 KW
Applications: • Suitable for installation on woodworking machinery • Can also be installed on other types of machining equipment