Language
繁體中文
English
首頁
產品介紹
高速主軸
全電式長度預設儀
熱敏電阻
電子型錄
新聞消息
關於我們
聯絡我們
產品介紹
首頁
產品介紹
木工主軸
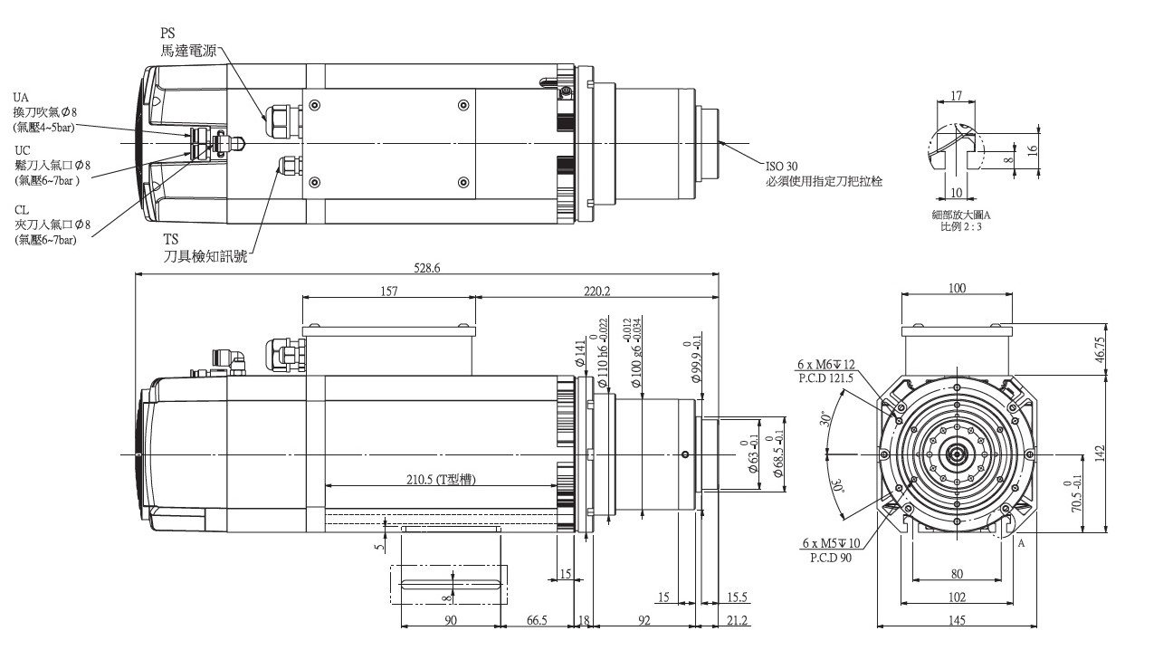
型號 ID:木工主軸
1.本主軸可選配編碼器。
PREV
特性說明
規格數據
相關配件
轉速:24,000 RPM
馬力:8.0 KW
高精度
高剛性
高轉速
低振動
高可靠度
用途:
• 安裝於木工加工機械
• 安裝於其他加工機械
產品分類
高速主軸
全電式長度預設儀
熱敏電阻
首頁
產品介紹
高速主軸
全電式長度預設儀
熱敏電阻
電子型錄
新聞消息
關於我們
聯絡我們